


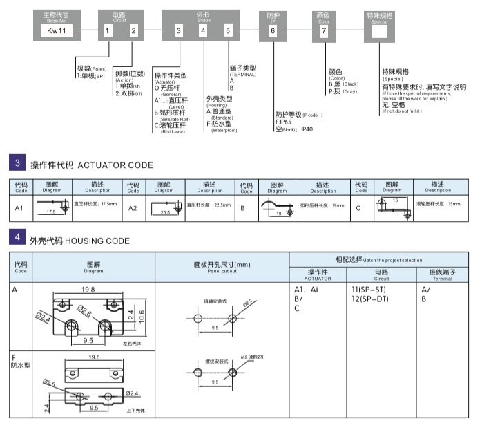
产品名称: KW11弧形压杆微动开关
产品型号: KW11-12B
电器额定值: 5(1)A 250V AC ,3(3)A 250V AC
接触电阻(初始值):≤50MΩ
绝缘电阻(常态): ≥100MΩ
耐压(常态): 1500V
电器寿命(次): 50000次
机械寿命(次): 100000次
工作环境温度: -25℃~+125℃
产品认证: CQC、ENEC、ROHS
KW11弧形压杆微动开关是上海永星电子推出的低压控制器件,其核心特点和应用如下:
一、结构特点
弧形压杆设计:采用弧形压柄触发机构,适用于需要特定角度按压或行程控制的场景,提高操作灵活性。
触点配置:支持常开(NO)、常闭(NC)或其组合形式,如型号KW11-12B的触点规格可满足不同电路需求。
小型化结构:体积紧凑,适配空间受限的安装环境。
二、技术参数
电气性能:额定电流5A,电压支持125VAC和250VAC。
耐用性:优质材料保障机械稳定性及长寿命。
防护等级:部分型号具备防尘防水能力,适用于工业环境。
三、应用场景
工业自动化:如机器人限位控制、机械设备行程检测等。
电子设备:汽车电子、家电等需精密触控的领域。
