


产品名称: KW11压杆微动开关
产品型号: KW11-12
电器额定值: 5(1)A 250V AC ,3(3)A 250V AC
接触电阻(初始值):≤50MΩ
绝缘电阻(常态): ≥100MΩ
耐压(常态): 1500V
电器寿命(次): 50000次
机械寿命(次): 100000次
工作环境温度: -25℃~+125℃
产品认证: CQC、ENEC、ROHS
以下是关于 KW11压杆微动开关(型号KW11-12) 的综合信息:
1. 基础参数
电器额定值:5(1)A 250V AC / 3(3)A 250V AC。
接触电阻:≤50MΩ(初始值);绝缘电阻:≥100MΩ(常态)。
耐压性能:常态下可达1500V。
寿命:
机械寿命:100,000次;
电器寿命:50,000次。
工作温度范围:-25℃至+125℃。
2. 认证与标准
产品认证:符合CQC、ENEC、ROHS标准。
3. 应用场景
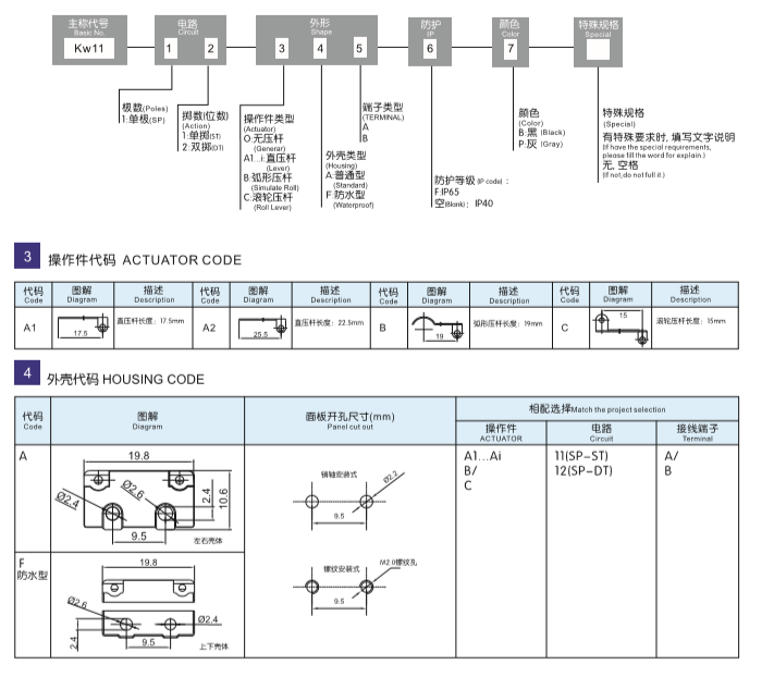
适用领域:广泛用于行程限位、设备控制等场景,常见于带轮、手柄等结构设计中。
如需进一步技术细节(如尺寸、安装方式),建议参考厂商提供的产品手册或联系供应商。
