


产品名称: KW11直压杆微动开关
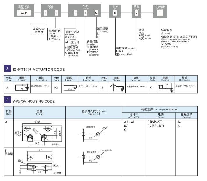
产品型号: KW11-12A1
电器额定值: 5(1)A 250V AC ,3(3)A 250V AC
接触电阻(初始值):≤50MΩ
绝缘电阻(常态): ≥100MΩ
耐压(常态): 1500V
电器寿命(次): 50000次
机械寿命(次): 100000次
工作环境温度: -25℃~+125℃
产品认证: CQC、ENEC、ROHS
KW11直压杆微动开关(型号KW11-12A1)是一款广泛应用于工业控制领域的电气元件,其核心参数及特性如下:
技术参数
电器额定值:5(1)A 250V AC / 3(3)A 250V AC
接触电阻(初始值):≤50MΩ
绝缘电阻(常态):≥100MΩ
耐压(常态):1500V1
寿命:电器寿命50,000次、机械寿命100,000次
工作温度范围:-25℃至+125℃
认证标准:CQC、ENEC、ROHS
产品特性
结构设计:直压式操作杆,触点反应灵敏,动作行程短且反馈清晰,适合精确控制的场景。
多样化触点:支持常开、常闭组合形式,适配不同电路需求。
耐用性:采用高稳定性材料和工艺,机械强度优异。
防护能力:具备一定防尘防水等级,适用于复杂工业环境。
应用场景
工业设备:如限位开关、行程控制、自动化机械。
家用电器:小型设备按键控制。
工控系统:电磁阀、传感器联动控制。
