



产品名称: FD16两脚无锁绿色按钮
产品型号: FD16-121-G
电器额定值: 1A 250V AC
接触电阻(初始值): ≤50MΩ
绝缘电阻(常态): 100MΩ
耐压(常态): 1500V
电器寿命(次): 无锁10000次,自锁5000次
机械寿命(次): 无锁50000次,自锁10000次
工作环境温度: -25℃~+55℃
防护等级: IP40
产品认证: CE、CQC、ROHS
以下是关于 FD16两脚无锁绿色按钮 FD16-121-G 的综合信息:
一、产品概述
FD16-121-G 是 FD16 系列中的一款两脚无锁按钮开关,采用绿色按钮罩设计,
其防护等级为 IP40,支持 CE、CQC、ROHS 认证。
二、技术参数
电气特性
额定负载:1A/250V AC(阻性负载)
接触电阻:≤50mΩ(初始值)
绝缘电阻:≥100MΩ
耐压强度:1500V(常态)
寿命
电气寿命:无锁结构 10,000 次,自锁5000次
机械寿命:无锁结构 50,000 次,自锁10000次
环境适应性
工作温度:-25℃ ~ +55℃
防护等级:IP40
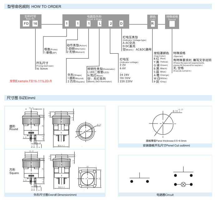
三、型号解析
根据 FD16 系列的命名规则(示例:FD16-121-G):
FD16:主称代号,对应 16mm 孔径安装尺寸。
121:
第1位“1”表示单极(SP);
第2位“2”表示无锁动作(Moment);
第3位“1”表示圆形外观。
G:按钮颜色为绿色(Green)。
