



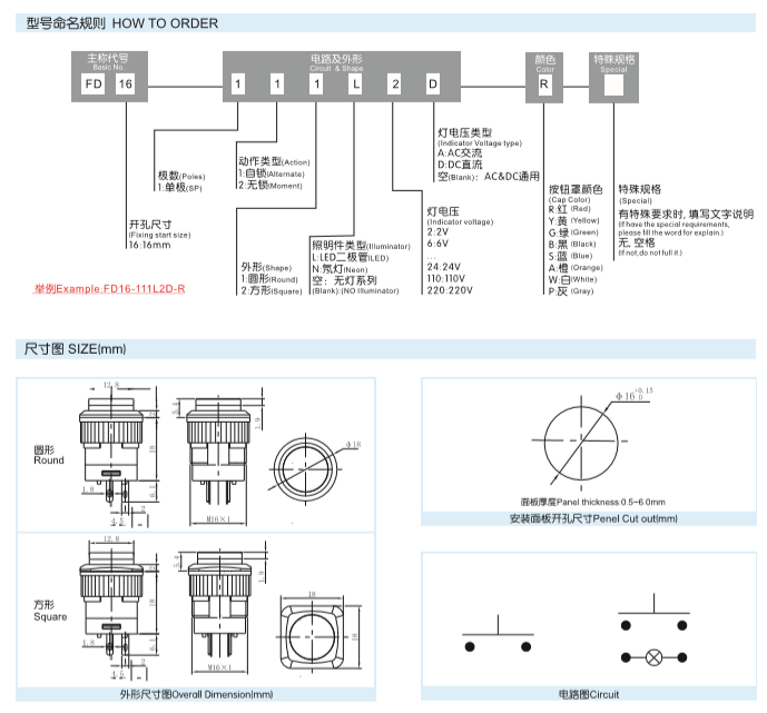
产品名称: FD16自锁带灯红色按钮
产品型号: FD16-111L6-R
电器额定值: 1A 250V AC
接触电阻(初始值): ≤50MΩ
绝缘电阻(常态): 100MΩ
耐压(常态): 1500V
电器寿命(次): 无锁10000次,自锁5000次
机械寿命(次): 无锁50000次,自锁10000次
工作环境温度: -25℃~+55℃
防护等级: IP40
产品认证: CE、CQC、ROHS
FD16系列自锁带灯红色按钮(型号FD16-111L6-R)的主要特性及参数如下:
一、核心功能
自锁机制:采用机械锁定结构,按下后保持锁定状态,需再次按压解锁。
带灯设计:内置红色LED指示灯,通过触点并联电路实现状态显示功能(通电时指示灯亮起)。
二、技术参数
电气性能
接触电阻:≤50mΩ
绝缘电阻:≥100mΩ
防护等级:IP40(基础防尘防溅)。
物理规格
按钮尺寸:16mm圆形或方形可选。
指示灯电压:根据型号中"L6"推测LED支持6V电压(类似DECA系列电压标注方式)。
三、应用场景
适用于工业控制柜、医疗设备等需明确状态指示及操作反馈的场景。
红色指示灯常用于警示或紧急停止功能,贴合高风险操作场景需求。
四、对比同类产品
AD系列:支持双模式(有锁/无锁)及宽电压兼容(2V-220V),寿命达50,000次,但非16mm尺寸。
DECA P16系列:提供自复位功能,LED灯可选6V/12V/24V,但未明确自锁机制。
注:具体接线方式和触点配置需参考产品手册,型号中"111"可能表示触点组合形式(如1常开+1常闭)。
