



产品名称: FD16单极无锁带灯白色按钮
产品型号: FD16-121L12-W
电器额定值: 1A 250V AC
接触电阻(初始值): ≤50MΩ
绝缘电阻(常态): 100MΩ
耐压(常态): 1500V
电器寿命(次): 无锁10000次,自锁5000次
机械寿命(次): 无锁50000次,自锁10000次
工作环境温度: -25℃~+55℃
防护等级: IP40
产品认证: CE、CQC、ROHS
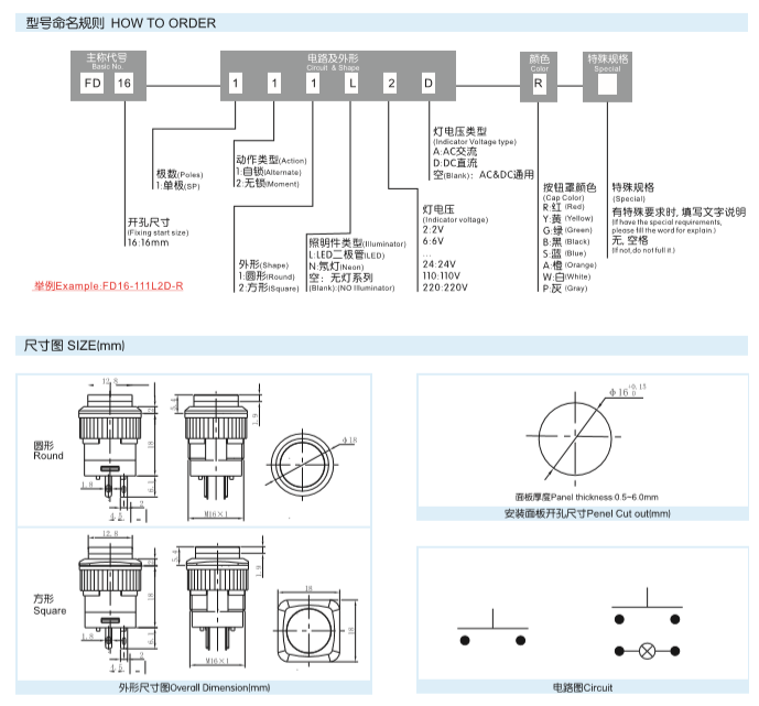
FD16-121L12-W是一款单极无锁带灯白色按钮开关,主要技术参数及特性如下:
1. 电气参数
额定负载:1A/250V AC(阻性负载)
接触电阻:≤50mΩ(初始值)
绝缘电阻:≥100MΩ(常态)
耐压强度:常态下1500V
指示灯电压:12V DC(L12表示LED灯电压类型为直流12V)
2. 机械性能
电气寿命:无锁状态下10,000次操作,自锁状态下5000次
机械寿命:无锁状态下50,000次操作,自锁状态下10000次
防护等级:IP40
3. 结构与外观
按钮类型:单极无锁(型号中“12”第一位“1”表示单极,“2”表示无锁)
外形设计:圆形按钮(型号第三位“1”代表圆形)
颜色与指示灯:白色按钮罩,集成单色LED指示灯(支持定制双色指示灯)
4. 认证与适用性
认证标准:CE、CQC、RoHS
工作温度:-25℃~+55℃
5. 型号解析(FD16-121L12-W)
FD16:主称代号(16mm直径)
121:单极(1)、无锁(2)、圆形(1)
L12:LED指示灯(L)、直流12V(D通常省略,12为电压值)
W:按钮颜色为白色
该型号适用于需指示灯反馈且频繁操作的低压直流控制场景,如工业设备、仪器仪表等
