



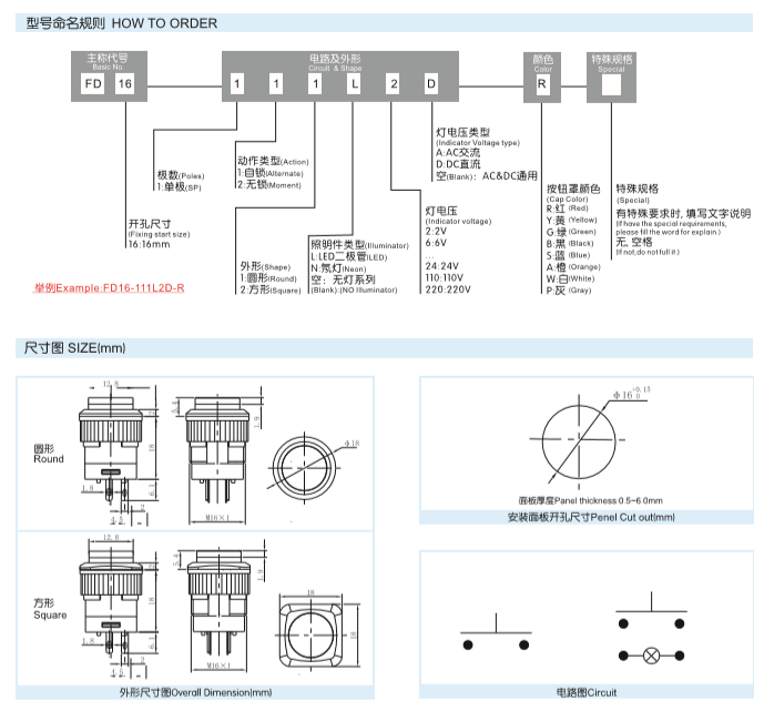
产品名称: FD16单极自锁带灯按钮
产品型号: FD16-111L12-G
电器额定值: 1A 250V AC
接触电阻(初始值): ≤50MΩ
绝缘电阻(常态): 100MΩ
耐压(常态): 1500V
电器寿命(次): 无锁10000次,自锁5000次
机械寿命(次): 无锁50000次,自锁10000次
工作环境温度: -25℃~+55℃
防护等级: IP40
产品认证: CE、CQC、ROHS
FD16单极自锁带灯按钮(型号FD16-111L12-G)属于FD16系列带指示灯按钮开关产品线,其特性和应用场景可总结如下:
参数
额定负载:1A/250V AC(阻性负载)
接触电阻:≤50mΩ(初始值)
绝缘电阻:≥100MΩ(常态)
耐压强度:常态下1500V
指示灯电压:12V DC(L12表示LED灯电压类型为直流12V)
功能与结构特性
采用单极自锁设计,机械锁定功能确保按下后保持稳定状态,需二次按压解锁复位。
内置指示灯,支持绿色灯光指示(型号后缀“G”代表绿色),可实现开关状态可视化,适用于低光照环境。
指示灯电压兼容性较广(如类似型号支持2V-220V),且采用低接触电阻设计(≤50mΩ)和高绝缘电阻(≥100mΩ)。
应用场景
主要用于工业控制设备、医疗仪器等需频繁操作且需要明确状态反馈的场合。
防护等级为IP40,适合常规室内环境,不适用于高粉尘或防水要求严格的场景。
型号命名规则参考
根据FD16系列其他型号(如FD16-111L12D-G)推断,“L12”可能表示指示灯电压为12V直流,“G”为绿色指示灯。
品牌对比
FD16系列与类似AD系列按钮开关相比,支持双色指示灯定制,但其机械寿命(50,000次)略低于AD系列。
建议结合实际需求确认电压规格及安装尺寸参数,可参考同类产品技术文档或联系供应商获取详细规格书。
